1. Chuẩn bị trước khi cài đặt
Trước khi tiến hành cài đặt, bạn cần chuẩn bị các bước sau:
- Thiết bị cần thiết: Biến tần Schneider ATV930 hoặc ATV950, động cơ, dây cáp nguồn, bảng điều khiển HMI.
- Tài liệu kỹ thuật: Tài liệu hướng dẫn của nhà sản xuất để tra cứu thông số chi tiết.
- Kiểm tra điện áp và kết nối: Đảm bảo điện áp cấp vào biến tần phù hợp với yêu cầu của thiết bị.
- Phần mềm hỗ trợ: EcoStruxure Control Expert hoặc SoMove để cấu hình nâng cao.
2. Bước 1: Kết nối nguồn điện
Kết nối nguồn điện vào biến tần theo các bước sau:
- Bước 1.1: Tắt nguồn điện trước khi đấu nối.
- Bước 1.2: Kết nối dây nguồn 3 pha vào các cực L1, L2, L3 (biến tần hỗ trợ cả điện áp 220V và 380V).
- Bước 1.3: Kết nối dây động cơ vào các cổng U/T1, V/T2, W/T3 của biến tần.
- Bước 1.4: Đảm bảo đấu nối dây an toàn và chắc chắn.

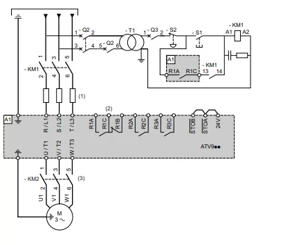
Sơ đồ kết nối mạch điều khiển biến tần ATV930 ATV950 Schneider

Sơ đồ kết nối biến tần ATV930 ATV950 Schneider với động cơ
3. Bước 2: Cài đặt cơ bản trên màn hình HMI
- Trả về mặc định nhà máy: ATV340/630/930: Main Menu / File management / Factory Setting /
+ Parameter Group List = đánh vào dấu “All”
+ Go to factory Setting = Enter - Cài đặt thông số cơ bản: Main Menu / Simply Start /
• Basic frequency= loại động cơ = 50 (IEC) hoặc 60 (NEMA) Thường cài 50
• Nominal motor power = Công suất động cơ (kW)
• Nom motor voltage = Điện áp định mức động cơ (V)
• Nom motor current = Dòng định mức động cơ (A)
• Nominal motor freq = Tần số định mức động cơ (Hz)
• Nominal motor speed = Tốc độ định mức động cơ (rpm)
Làm auto tuning: Main Menu / Simply Start / Auto tuning = Apply auto tuning Khi đã tuning thành công, thông số Auto tuning status = Done - Chọn luật điều khiển động cơ tùy theo tải:
- Main Menu / Complete setting / Motor parameter /
Motor control Type = SVC V: Luật vector vòng hở
FVC: Luật vector vòng kín (dùng encoder)
U/F VC 5pts: Luật U/f 5 điểm
Sync Mot: Luật động cơ đồng bộ vòng hở
Sync CL: Luật động cơ đồng bộ vòng kín
- Main Menu / Complete setting / Motor parameter /
- Cài đặt dòng bảo vệ quá tải:
- Main Menu / Simply Start /
• Motor Th Current = Dòng bảo vệ quá tải (A) , chỉnh = dòng định mức động cơ
- Main Menu / Simply Start /
- Cài đặt hạn dòng (current limit)
- Main Menu / Complete setting / Motor parameter /
• Dual Rating = Normal Rating (tải nhẹ) / High Rating (tải nặng) (chọn loại tải)
Main Menu / Complete setting / Motor parameter / Motor monitoring
• Current limitation = chỉnh tùy theo nhu cầu sử dụng , tối đa 1.1 In với Normal rating = chỉnh tùy theo nhu cầu sử dụng , tối đa 1.5 In với High rating
- Main Menu / Complete setting / Motor parameter /
- Cài đặt thời gian tăng tốc (ACC), thời gian giảm tốc (DEC)
- Main menu / Simply Start /
Acceleration = Thời gian tăng tốc (s)
Deceleration = Thời gian giảm tốc (s)
- Main menu / Simply Start /
- Cài đặt giới hạn tốc độ cao (HSP), giới hạn tốc độ thấp (LSP)
- Main menu/ Simply Start/
Low Speed = Giới hạn tốc độ thấp (Hz)
High Speed = Giới hạn tốc độ cao (Hz)
- Main menu/ Simply Start/
- Cài đặt tần số sóng mang/ tần số đóng cắt (switching frequency)
- Main Menu / Complete setting / Motor parameter/ Switching frequency
• Switching frequency = chỉnh tùy theo nhu cầu sử dụng (A)
Tần số đóng cắt cao:
-Động cơ bớt ồn
-Dòng rò cao
-Nhiễu cao
-Biến tần mau nóng, bị giảm công suất (xem đặc tuyến giảm tải)
Tần số đóng cắt thấp: ngược lại
- Main Menu / Complete setting / Motor parameter/ Switching frequency
- Cài đặt relay báo trạng thái biến tần: Relay 1 (R1A-R1B-R1C) báo lỗi (relay đóng vào khi không có lỗi, mở ra khi có lỗi) Relay 2 (R2A-R2C) báo chạy dừng
- Main Menu / Complete setting / Input-Output/ Relay
R1 configuration / R1 assignment = Operating State “Fault”
R2 configuration / R2 assignment = Drv Running
- Main Menu / Complete setting / Input-Output/ Relay
- Cài đặt ngõ ra analog báo trạng thái biến tần: Cài đặt AO1 báo tốc độ chạy, xuất ra từ 0-10VDC
- Main Menu / Complete setting / Input-Output/ AI-AO
• AO1 configuration / AO1 assignment = Motor freq.
/ AO1 type = Current
/ AO1 min output = 4mA
/ AO1 max output = 20mA
- Main Menu / Complete setting / Input-Output/ AI-AO
- Chức năng bắt tốc độ động cơ – Catch on the fly
- Main Menu / Complete setting / Error & Warning handling / Catch on fly = Yes
- Điều khiển biến tần bằng nút nhấn trên màn hình biến tần
- Main Menu / Complete setting / Command and reference /
• Ref Freq 1 Config = HMI Đặt tốc độ trên màn hình
- Main Menu / Complete setting / Command and reference /
- Cài đặt chân LI3 để chuyển đổi giữa 2 cách điều khiển
- Main Menu / Complete setting / Command and reference /
• Ref Freq 1 Config = AI1 Đặt tốc độ bằng analog đưa vào AI1
• Ref Freq 2 Config = HMI Đặt tốc độ bằng HMI
• Freq Switch Assign = DI3 Kích chân DI3 để chuyển đổi 2 chế độ
• Control mode = Not seperate
- Main Menu / Complete setting / Command and reference /
- Cài đặt chân LI3 để chuyển đổi giữa 2 kênh tham chiếu
- Main Menu / Complete setting / Command and reference /
• Ref Freq 1 Config = AI1 Đặt tốc độ bằng analog đưa vào AI1
• Ref Freq 2 Config = HMI Đặt tốc độ bằng HMI
• Freq Switch Assign = DI3 Kích chân DI3 để chuyển đổi 2 chế độ
• Control mode= Separate
• Cmd channel 1 = Terminal
- Main Menu / Complete setting / Command and reference /
- Cài biến tần ATV930 ATV950 Schneider chạy động cơ với tốc độ cao hơn 50Hz
- Main Menu / Simply start/
• Max frequency = 80Hz Cho phép cài đặt ngưỡng cao <= 80Hz
• High speed = 80Hz Cài đặt ngưỡng cao = 80Hz
- Main Menu / Simply start/
- Chọn cách dừng động cơ
- Main Menu / Complete setting/ Generic function/ Stop configuration
• Type of Stop = Freewheel
- Main Menu / Complete setting/ Generic function/ Stop configuration
- Cài đặt biến tần ATV930 ATV950 Schneider chạy động cơ nhiều cấp tốc độ
- Ví dụ: Cài chân LI3 ứng với PS2, LI4 ứng với PS4, SP2 = 20Hz, SP3 = 10Hz, SP4 = 25Hz
Khi đó (LI4=0 LI3=0): 50Hz (LI4=1 LI3=0): 10Hz
(LI4=0 LI3=1): 20Hz (LI4=1 LI3=1): 25Hz - Main Menu / Complete setting / Generic function / Preset Speed
• 2 preset freq = DI3
• 4 preset freq = DI4
• Preset speed 2 (SP2) = 20 Hz
• Preset speed 3 (SP3) = 10Hz
• Preset speed 4 (SP4) = 25Hz
- Ví dụ: Cài chân LI3 ứng với PS2, LI4 ứng với PS4, SP2 = 20Hz, SP3 = 10Hz, SP4 = 25Hz
- Cài đặt biến tần ATV930 ATV950 Schneider chạy PID phản hồi
- Ví dụ: Cài tín hiệu hồi tiếp đưa về AI1, mức đặt (reference) là 50% Khi đó biến tần thay đổi tốc độ
động cơ để đảm bảo mức phản hồi luôn bằng mức đặt = 50% (hồi tiếp <50% thì biến tần chạy
nhanh, hồi tiếp > 50% thì biến tần giảm tốc hoặc dừng hẳn - Main Menu / Complete Setting / Pump Function / PID controller
•Feedback / Type of control = Pressure / Other
/ PID feedback = AI1 Chọn AI1 nhận tín hiệu hồi tiếp
/ Min PID feedback = 0 bar Cài đặt ngưỡng đo dưới của cảm biến
/ Max PID feedback = 10 bar Cài đặt ngưỡng đo trên của cảm biến
•Reference / Intern PID ref = Yes Cho phép đặt tham chiếu từ màn hình biến tần
/ Min PID ref = 0 bar Ngưỡng dưới mức tham chiếu cho phép
/ Max PID ref = 10 bar Ngưỡng trên mức tham chiếu cho phép
/ Internal PID ref = 5 bar Đặt mức tham chiếu
- Ví dụ: Cài tín hiệu hồi tiếp đưa về AI1, mức đặt (reference) là 50% Khi đó biến tần thay đổi tốc độ
- Cài đặt chức năng Sleep Wake up trên biến tần ATV930 ATV950 Schneider(bổ trợ cho chức năng PID dùng cho bơm)
- Main Menu / Complete Setting / Pump Function / Sleep – Wake up
•Sleep Menu / Sleep detected mode = Speed Sleep khi chạy tốc độ thấp
/ Sleep min speed = 25Hz Tốc độ thấp khi bắt đầu chờ sleep
/ Sleep delay = 10s Thời gian chờ để sleep
•Wake up Menu / Wake up mode = Feedback Chạy lại dựa theo tín hiệu phản hồi
/ Wake up Press Level = 2 bar Nếu áp suất phản hồi < 2 bar thì chạy lại
- Main Menu / Complete Setting / Pump Function / Sleep – Wake up
Trên đây là hướng dẫn cài đặt nhanh biến tần ATV930 và ATV950 Schneider đơn giản và chi tiết nhất
Mọi thắc mắc liên hệ : 0968 095 220 - Mr Hiệp
Xin cảm ơn!

