Trong các hệ thống điện hạ thế, việc bảo vệ và điều khiển Aptomat (MCB/MCCB/ACB) đóng vai trò cực kỳ quan trọng. Hai phụ kiện được sử dụng phổ biến là cuộn shuntrip MX/SHT và cuộn thấp áp UVT/MN. Tuy có hình dáng bên ngoài khá giống nhau và đều gắn kèm máy cắt, nhưng chức năng của hai cuộn này hoàn toàn khác nhau.
Bài viết dưới đây sẽ giúp bạn hiểu rõ:
-
Cuộn shuntrip MX/SHT là gì?
-
Cuộn thấp áp UVT/MN là gì?
-
Khi nào sử dụng từng loại?
-
Sự khác biệt giữa MX/SHT và UVT/MN
-
Ứng dụng thực tế trong tủ điện, PCCC, thang máy, nhà máy,…
1. Cuộn shuntrip MX/SHT là gì?

Cuộn shuntrip MX/SHT là một phụ kiện gắn vào Aptomat để tác động cắt điện từ xa bằng tín hiệu điện áp.
🔹 Nguyên lý hoạt động
Khi cấp nguồn điều khiển vào cuộn MX/SHT (AC hoặc DC tùy loại), cuộn sẽ:
-
Kích hoạt cơ cấu nhả của Aptomat
-
Làm Aptomat nhảy OFF ngay lập tức
-
Không phụ thuộc điện áp lưới đang có hay không
👉 Nói cách khác: Cấp điện → CB nhảy

🔹 Ứng dụng của cuộn MX/SHT
Cuộn shuntrip thường dùng để:
✔ Cắt điện bằng nút nhấn khẩn cấp (EMERGENCY STOP)
✔ Tích hợp với hệ thống báo cháy PCCC
✔ Hệ thống thang máy, thang cuốn
✔ Cắt điện khi có rò rỉ khí gas
✔ Điều khiển cắt từ tủ điều khiển trung tâm
✔ Bảo vệ máy móc khi xảy ra tình huống nguy hiểm
Ví dụ thực tế:
🔻 Khi xảy ra cháy, tủ PCCC phát tín hiệu
🔻 Cuộn shuntrip được cấp điện
🔻 CB chính nhảy
🔻 Toàn bộ khu vực mất điện để đảm bảo an toàn
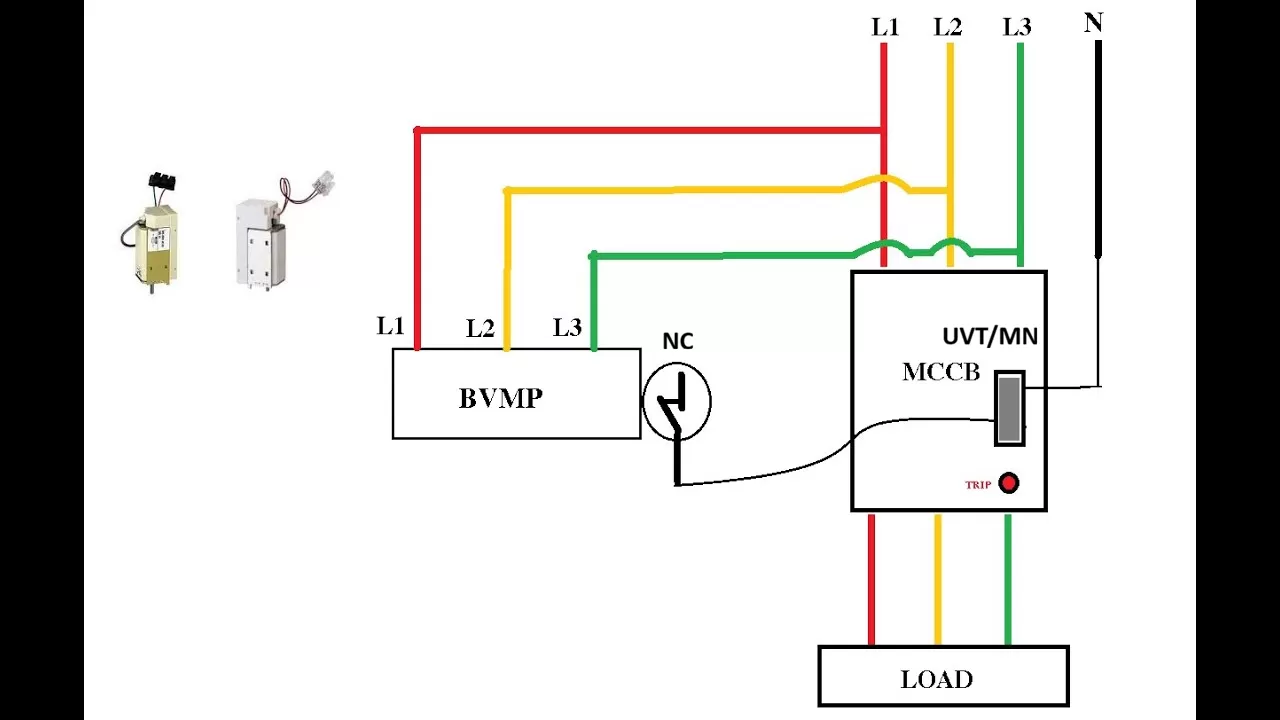
2. Cuộn thấp áp UVT/MN là gì?

Cuộn thấp áp UVT/MN (Undervoltage Trip) là phụ kiện dùng để tự động cắt Aptomat khi điện áp nguồn bị giảm hoặc mất áp.
🔹 Nguyên lý hoạt động
-
Khi điện áp đúng định mức → CB cho phép đóng
-
Khi điện áp giảm thấp hoặc mất điện áp → cuộn UVT tác động → CB nhảy OFF
👉 Nói đơn giản: Mất điện áp → CB nhảy

🔹 Đặc điểm quan trọng
⚠️ Aptomat không thể đóng lại nếu chưa có điện áp điều khiển cho cuộn UVT.
🔹 Ứng dụng của UVT/MN
✔ Bảo vệ động cơ khi sụt áp mạng
✔ Hệ thống thang máy – chống chạy khi mất pha/sụt áp
✔ Hệ thống cần đảm bảo tự động OFF khi mất điện điều khiển
✔ Nhà máy sản xuất tự động hóa
✔ Tủ phân phối chính
Ví dụ thực tế:
🔻 Điện áp lưới giảm đột ngột
🔻 Cuộn UVT cảm nhận tụt áp
🔻 CB tự động nhảy OFF
🔻 Bảo vệ động cơ không bị cháy do thiếu áp
3. Sự khác biệt giữa cuộn shuntrip MX/SHT và cuộn UVT/MN
| Tiêu chí | Cuộn shuntrip MX/SHT | Cuộn thấp áp UVT/MN |
|---|---|---|
| Cơ chế tác động | Cấp điện thì tác động | Mất điện thì tác động |
| Mục đích | Cắt từ xa theo lệnh | Bảo vệ khi sụt/mất áp |
| Nguồn điều khiển | Cần cấp điện chủ động | Hoạt động theo tình trạng áp |
| Trạng thái khi mất điện | Không tự nhảy | Nhảy OFF ngay |
| Dùng với PCCC | Rất phổ biến | Ít hơn |
| An toàn máy móc | Tốt | Rất tốt |
| Cho phép đóng CB khi không có điện điều khiển | Có | Không |
👉 Tóm tắt dễ hiểu:
-
MX/SHT = cấp điện thì nhảy
-
UVT/MN = mất điện thì nhảy
4. Khi nào nên dùng cuộn shuntrip MX/SHT?
Bạn nên chọn cuộn MX/SHT khi:
✔ Cần nhấn nút khẩn để cắt điện
✔ Cần điều khiển từ xa bằng PLC
✔ Cần tích hợp PCCC – báo cháy
✔ Muốn cắt điện có chủ đích theo lệnh điều khiển
👉 Phù hợp cho:
-
Trung tâm thương mại
-
Chung cư
-
Nhà máy sản xuất
-
Tòa nhà cao tầng
-
Hệ thống gas, xăng dầu
5. Khi nào nên dùng cuộn thấp áp UVT/MN?
Chọn cuộn UVT/MN nếu bạn cần:
✔ Hệ thống tự động OFF khi mất áp điều khiển
✔ Bảo vệ động cơ khi sụt áp – mất pha
✔ Đảm bảo không đóng điện khi không đủ áp an toàn
✔ Chống kẹt, cháy động cơ do điện yếu
👉 Ứng dụng phổ biến:
-
Thang máy
-
Trạm bơm
-
Băng tải
-
Hệ thống tự động hóa
-
Nhà máy chế biến
6. Kết luận – Nên chọn cuộn nào cho hệ thống của bạn?
-
Nếu mục tiêu của bạn là cắt điện theo lệnh điều khiển → chọn shuntrip MX/SHT
-
Nếu mục tiêu là bảo vệ do sụt áp/mất áp → chọn UVT/MN
👉 Hai cuộn không thay thế nhau
👉 Lựa chọn đúng sẽ:
✔ Tăng độ an toàn
✔ Bảo vệ thiết bị
✔ Đảm bảo đúng tiêu chuẩn kỹ thuật điện
✔ Tuân thủ quy định PCCC hiện hành
7. Mua cuộn shuntrip MX/SHT cho MCB / MCCB / ACB ở đâu?
Nếu bạn đang tìm mua cuộn shuntrip MX/SHT chính hãng, dưới đây là những địa chỉ uy tín bạn nên cân nhắc:
🛒 Địa chỉ uy tín cung cấp cuộn shuntrip MX/SHT
✔ Long Nguyễn – Nhà phân phối thiết bị điện tự động hóa chính hãng
-
Sản phẩm: cuộn shuntrip MX/SHT dùng cho MCB, MCCB, ACB
-
Hãng: Schneider / ABB / LS / Mitsubishi
-
Bảo hành chính hãng
-
Hỗ trợ kỹ thuật và chọn mã phù hợp theo nhu cầu
👉 Liên hệ để được tư vấn chi tiết và báo giá cạnh tranh
✔ Đại lý thiết bị điện tự động hóa tại Hà Nội / TP. HCM
-
Hầu hết đều có sẵn các mã cuộn shuntrip cho máy cắt
-
Hỗ trợ check catalog & lắp đặt
✔ Website thương mại điện tử kỹ thuật
-
Nhiều nơi bán online với giá tốt và giao hàng toàn quốc
-
Kiểm tra thông tin sản phẩm trước khi đặt
8. Kết luận
-
Cuộn shuntrip MX/SHT và cuộn thấp áp UVT/MN đều là phụ kiện gắn với Aptomat nhưng phục vụ mục đích khác nhau.
-
Chọn đúng loại sẽ giúp hệ thống hoạt động an toàn – chính xác – bền bỉ.
-
Nếu bạn cần mua cuộn shuntrip MX/SHT chính hãng, hãy liên hệ đơn vị phân phối uy tín để được tư vấn và chọn đúng mã sản phẩm.

