1. Giới thiệu về Rơ le RM22TR33
Rơ le bảo vệ điện áp RM22TR33 Schneider là thiết bị giám sát điện áp một pha, cho phép bảo vệ các thiết bị điện khỏi các tình trạng điện áp quá cao hoặc quá thấp. RM22TR33 có thể được sử dụng trong các ứng dụng công nghiệp hoặc dân dụng để đảm bảo an toàn cho hệ thống điện.

2. Chuẩn bị trước khi lắp đặt
- Kiểm tra thiết bị: Đảm bảo rơ le RM22TR33 không bị hư hỏng và đầy đủ các phụ kiện đi kèm.
- Đọc hướng dẫn sử dụng: Đọc kỹ tài liệu hướng dẫn của Schneider đi kèm để hiểu rõ các yêu cầu về lắp đặt và sử dụng.
- Ngắt nguồn điện: Đảm bảo nguồn điện đã được ngắt hoàn toàn trước khi tiến hành lắp đặt để đảm bảo an toàn.
- Làm quen với rơ le RM22TR33

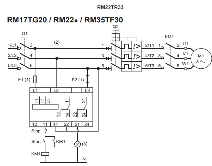
3. Lắp đặt rơ le RM22TR33
-
Chọn vị trí lắp đặt:
- Rơ le RM22TR33 nên được lắp đặt ở vị trí thông thoáng, dễ dàng kiểm tra và bảo trì.
- Tránh lắp đặt ở nơi ẩm ướt, bụi bẩn hoặc nhiệt độ quá cao.
-
Kết nối dây điện:
- Nguồn điện cấp vào: Kết nối các dây nguồn điện một pha (L, N) vào các đầu vào tương ứng của rơ le (L và N).
- Kết nối dây ra: Kết nối các dây điện từ đầu ra của rơ le đến thiết bị mà bạn muốn bảo vệ.
- Dây tiếp đất: Đảm bảo kết nối dây tiếp đất để bảo vệ khỏi rủi ro điện giật và đảm bảo an toàn điện.
-
Kiểm tra kết nối: Sau khi kết nối xong, kiểm tra lại các mối nối để đảm bảo không có sự lỏng lẻo hoặc kết nối sai lệch.
- Sơ đồ lắp đặt rơ le RM22TR33 Schneider

4. Cài đặt và cấu hình rơ le RM22TR33
-
Cấp nguồn cho rơ le: Bật nguồn điện sau khi đã hoàn thành việc lắp đặt. Đèn LED báo hiệu trên rơ le sẽ sáng, cho biết thiết bị đã hoạt động.
-
Điều chỉnh ngưỡng điện áp:
- Điện áp quá cao: Sử dụng núm điều chỉnh hoặc màn hình hiển thị (nếu có) để đặt ngưỡng điện áp quá cao mà bạn muốn bảo vệ. Ví dụ, cài đặt giới hạn điện áp tối đa là 440V.
- Điện áp quá thấp: Điều chỉnh ngưỡng điện áp quá thấp. Ví dụ, có thể đặt mức điện áp tối thiểu là 300V.
- Thời gian trễ: Một số ứng dụng có thể yêu cầu cài đặt thời gian trễ trước khi rơ le ngắt nguồn để tránh những dao động nhỏ không đáng kể.
-
Lưu cài đặt: Sau khi điều chỉnh các thông số, đảm bảo rằng các thiết lập đã được lưu lại để rơ le hoạt động theo đúng cấu hình.
- Tín hiệu đèn trên Rơ le bảo vệ điện áp RM22TR33
Đèn báo hiệu Trạng thái thiết bị Trạng thái đèn Đèn LED (xanh) báo nguồn (8) Thiết bị được cấp nguồn Sáng Thiết bị mất nguồn Tắt Khi thiết bị đang hoạt động (cấp nguồn) mà thay đổi chức năng (xoay núm chọn cấp điện áp và chức năng (1) ) thì đèn LED xanh chớp liên tục báo hiệu cài đặt bị thay đổi. Tuy nhiên thay đổi mới này chỉ có hiệu lực khi tắt nguồn và bật lại thiết bị Chớp chậm Đèn LED Def (vàng) báo lỗi (7) Mất pha Sáng Đảo pha từ lúc cấp nguồn Sáng Thấp áp Chớp chậm Quá áp >U Chớp nhanh Đang bình thường thì bị đảo pha Chớp chậm Đèn LED R (vàng) báo trạng thái rơ-le (6) Rơ-le ngõ ra On (11-12/21-22: Mở, 11-14/21-24:đóng) Sáng Rơ-le ngõ ra OFF (11-12/21-22: Đóng, 11-14/21-24:Mở) Tắt Đang đếm giờ chờ lỗi Chớp chậm
5. Kiểm tra hoạt động của rơ le
-
Giám sát điện áp: Rơ le sẽ liên tục giám sát mức điện áp và đảm bảo rằng nó luôn nằm trong phạm vi an toàn đã được cài đặt.
-
Phản hồi khi có sự cố: Nếu điện áp vượt quá ngưỡng cho phép (quá cao hoặc quá thấp), rơ le sẽ tự động ngắt nguồn để bảo vệ thiết bị. Khi sự cố được khắc phục và điện áp trở lại mức bình thường, rơ le sẽ tự động cấp lại nguồn điện cho hệ thống (nếu đã cài đặt chức năng này).
-
Kiểm tra đèn báo: Quan sát đèn LED hoặc màn hình hiển thị trên rơ le để kiểm tra trạng thái hoạt động và nhận biết các cảnh báo.
Tham khảo : Hướng dẫn sử dụng Rơ le bảo vệ điện áp EVR-3P44 Schneider
6. Bảo trì và kiểm tra định kỳ
-
Kiểm tra định kỳ: Định kỳ kiểm tra rơ le RM22TR33 để đảm bảo thiết bị vẫn hoạt động tốt. Đặc biệt, kiểm tra các mối nối điện, các thông số cài đặt và trạng thái hoạt động của rơ le.
-
Vệ sinh thiết bị: Làm sạch bề mặt rơ le để tránh bụi bẩn làm giảm hiệu suất hoạt động của thiết bị. Tránh để nước hoặc chất lỏng tiếp xúc với rơ le.
-
Thay thế khi cần: Nếu rơ le hoạt động không đúng chức năng hoặc phát sinh sự cố, hãy kiểm tra ngay để sửa chữa hoặc thay thế nếu cần thiết.
7. Xử lý sự cố
- Rơ le không hoạt động: Nếu rơ le không hoạt động sau khi cấp nguồn, hãy kiểm tra lại các mối nối điện và đảm bảo rằng nguồn điện đầu vào đủ điều kiện (điện áp đúng mức).
- Điện áp không chính xác: Nếu rơ le không ngắt khi có sự cố điện áp, kiểm tra lại ngưỡng điện áp đã cài đặt và điều chỉnh lại nếu cần thiết.
- Cảnh báo không cần thiết: Nếu rơ le liên tục phát cảnh báo mặc dù điện áp bình thường, hãy kiểm tra các yếu tố như nhiễu điện, dao động điện áp nhỏ, và điều chỉnh thời gian trễ.
Kết luận
Rơ le bảo vệ điện áp RM22TR33 Schneider là thiết bị lý tưởng để bảo vệ hệ thống điện của bạn khỏi các sự cố về điện áp. Việc lắp đặt và cấu hình đúng cách sẽ giúp thiết bị hoạt động hiệu quả và bảo vệ tối ưu cho các thiết bị điện. Nếu có bất kỳ câu hỏi hoặc cần hỗ trợ, hãy liên hệ với đội ngũ kỹ thuật hoặc đại lý của Schneider Electric để được tư vấn chi tiết hơn.
Trên đây là hướng dẫn lắp đặt, sử dụng, cài đặt Rơ le bảo vệ điện áp RM22TR33 của Schneider Electric
Mọi thắc mắc liên hệ : 0968 095 220 - Trần Hiệp

