1.Kết nối bộ khởi động mềm
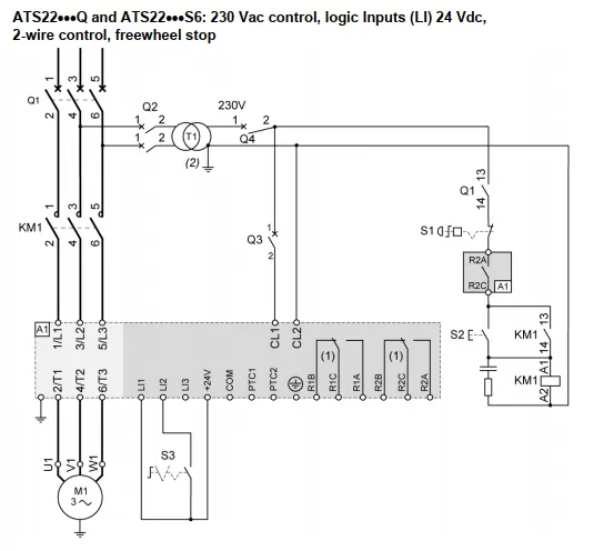
Mạch điều khiển
Các bước cài đặt
1/ Trả về thiết lập mặc định của nhà sản xuất
Mặc dù bạn có thể bỏ qua bước này, tuy nhiên để chắc chắn thiết bị hoạt động đúng ý nhất và không bị ảnh hưởng bởi các thiết lập khác, bạn vẫn nên reset lại trước khi cài đặt.
Cho động cơ dừng, nhấn tổ hợp phím sau để ra menu “UtIL”.
Trong menu “UtIL”, chọn thông số FCS, nhấn “Enter”, màn hình sẽ hỏi “Sure”, nhấn “Enter” lần nữa để trả về mặc định
2/ Cài đặt các thông số động cơ ATS22
Vào menu “ConF”
=> UIn = Điện áp định mức động cơ - mặc định 400V
=> In = Dòng định mức động cơ ( cài đặt them In trên mác động cơ) - mặc định bằng với In của khởi động mềm ( ATS22D88Q - 88A)
=> dLtA = Kiểu kết nối (Line hoặc delta) - mặc định để LInE
=> LAC = Chế độ nâng cao - Mặc định để Off
Vào menu “Set”
=> ILt = Giới hạn dòng tối đa, chỉnh tối đa (350% dòng định mức của ATS22).
=> t90 = Mô men khởi động - mặc định 30%
=> ACC = Thời gian tăng tốc.
=> DEC = THời gian giảm tốc.
=> tLS = Thời gian cho phép khởi động tối đa, nếu khởi động quá thời gian này thì soft start trip lỗi, cần lưu ý chỉnh ACC nhỏ hơn tLS.
=> tHP = 10 (cấp bảo vệ quá tải của động cơ, xem trên nhãn động cơ có Class 10 hay Class 20 để chọn giá trị thích hợp).
Vào menu “Adj”
–> SSC = On (khi đó soft start tự tăng giảm tốc một cách tối ưu).
= Off (khi đó soft start tăng giảm tốc theo ACC và DEC).
(Cài thử 1 trong 2 chế độ này, nếu dùng bơm quạt thì SSC=On).
Lưu ý :
rdY: bộ khởi động mềm sẵn sàng, khi có nguồn điện và điện áp điều khiển và động cơ không hoạt động.
nrdY: khi không có nguồn điện và điện áp điều khiển được cung cấp hoặc khi có nguồn điện và điện áp điều khiển nhưng LI1 không được kết nối và LI2
hiện tại (chạy lệnh).Liên hệ tư vấn lắp đặt - cài đặt ATS22 : 0968 095 220
Tham khảo mua khởi động mềm ATS22 Schneider tại đây: Khởi động mềm ATS22 SChneider
Tham khảo: Cách khắc phục 20 lỗi cơ bản khởi động mềm ATS22 schneider
Tài liệu hướng dẫn cài đặt ATS22 tải file đính kèm bên dưới
Xin cảm ơn
12tháng 03, 2026


